தயாரிப்பு வகைகள்
- வெப்பநிலை 36
- பிசிபி மவுண்ட் ஃபியூஸ் ஹோல்டர் 27
- வயரிங் சேணம் 6
- பிளேட் உருகி வைத்திருப்பவர்கள் 17
- தெர்மோஸ்டாட் 50
- மின் உருகி 24
- தானியங்கி வெப்பநிலை சென்சார் 7
- வெப்ப சுற்று பிரேக்கர் 22
- பாக்ஸ்-வைத்திருப்பவர் உருகி 36
- வெப்பநிலை சென்சார் 81
- வெப்ப சுவிட்ச் 68
- கார் உருகி 20
- உருகிகள் போல்ட் 8
- வெப்ப உருகி 32
- மேற்பரப்பு மவுண்ட் உருகிகள் 12
தயாரிப்பு குறிச்சொற்கள்
சமீபத்திய இடுகைகள்
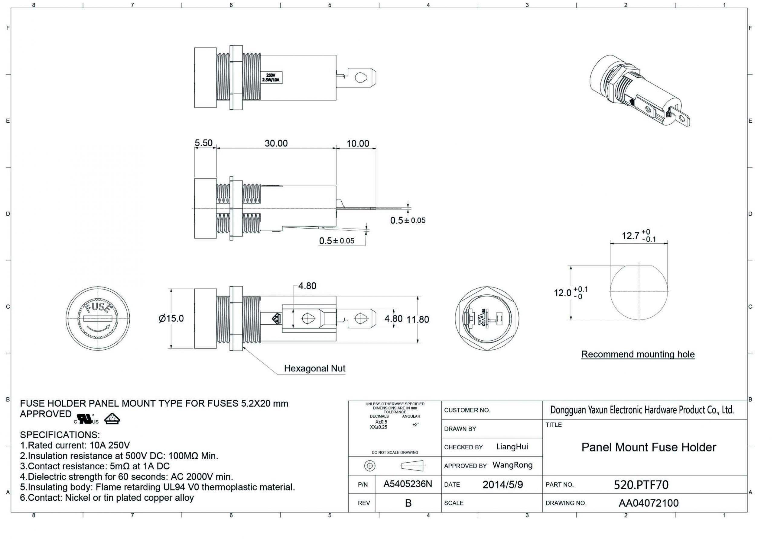
PTF 70 பேக்கலைட் உருகி வைத்திருப்பவர்கள், 10A, பேனல் ஏற்ற உருகி பெட்டி, 5x20 மிமீ உருகிக்கு
Stelvio Kontek PTF-70 என்பது ஒரு பேனல் மவுண்ட் ஃபியூஸ் ஹோல்டராகும். 5 x 20 250Vac இல் 10A இன் UL மதிப்பீட்டில் மிமீ கண்ணாடி உருகிகள் மற்றும் டேப் வயர் இணைப்புகளைப் பயன்படுத்துகிறது.
Stelvio Kontek PTF-70 என்பது ஒரு பேனல் மவுண்ட் ஃபியூஸ் ஹோல்டராகும். 5 x 20 250Vac இல் 10A இன் UL மதிப்பீட்டில் மிமீ கண்ணாடி உருகிகள் மற்றும் டேப் வயர் இணைப்புகளைப் பயன்படுத்துகிறது. Fuse Box for panel mounting; Fuse carrier with screwdriver slot and screw socket; பொருள்: Flameproof, glass-filled thermoplastic (PPOM).
![]() PTF 70 – உருகி வைத்திருப்பவர் 5 x 20 mm 10MOhm 250V 10A கருப்பு |
![]() Screw Cap Panel Mount Fuse Holder, Accepts 5×20 மிமீ உருகி |
![]() Stelvio PTF சூழல் 70 உருகி வைத்திருப்பவர்; உருளை உருகிகள்; 5x20மிமீ; 10A; பேனலில்; கருப்பு |
| தயாரிப்பு பெயர்: | PTF-70 Panel Mount Fuse Holder | மதிப்பிடப்பட்ட மின்னோட்டம்: | 10A |
| மதிப்பிடப்பட்ட மின்னழுத்தம்: | 250வி | Fuse Application: | Cylindrical Fuses |
| உருகி அளவு: | 5x20mm 5.2x20mm | வீட்டுப் பொருள்: | பேக்கலைட் |
| Material Feature: | Flame Retarded Plastic | முனையம்: | Nickel Plated Copper |
| வகை: | Solder Type | மவுண்டிங்: | On Panel |
| உயர் ஒளி: | PTF-70 10A, 250V Panel Mount Glass Fuse Holder | ||
PTF70 5x20mm Panel Mount Fuse Holder Drawing
தயாரிப்பு விளக்கம்
PTF70 5x20mm 10A 250V Bakelite Electric Fuse Cutout Box Panel Mount Glass Fuse Holder
The PTF-70 is a panel mount fuse holder with a screw cap for use with 5 x 20 250Vac இல் 10A இன் UL மதிப்பீட்டில் மிமீ கண்ணாடி உருகிகள் மற்றும் டேப் வயர் இணைப்புகளைப் பயன்படுத்துகிறது. This panel mount fuse holder has a bayonet style screw-cap that make the installation and removal of a 5x20mm glass fuse easy and safe. Wiring connections to this 5 X 20mm panel mount fuse holder are either soldered or a push on tab terminal and installation is made easy with a threaded housing and lock nut arrangement.
விவரக்குறிப்பு
• operating voltage, max.: 250வி மற்றும்
• rated current: 10A
• contact resistance: <5mΩ
• insulation resistance: >100MΩ
• dielectric strength: >3000V AC/60s
• colour: கருப்பு
| மதிப்பிடப்பட்ட மின்னோட்டம் | 10ஒரு 250V |
| Insulation resistance at 500V DC | 100 MΩ min. |
| தொடர்பு எதிர்ப்பு | 5 MΩ at 1A DC |
| Dielectric strength between the terminals for 60 வினாடிகள் | ஏசி 3000 நிமிடம். |
| Insulating body | Flame retarding UL _94V0 thermoplastic material. |
| தொடர்பு | Nickel or tin plated copper alloy |
Fearures
• fuse holder made of black polycarbonate, self-extinguishing (UL94V-0)
• bayonet cover
• brass parts with nickel layer, tin-plated
• shock-protection category PC2
விண்ணப்பம்
Electrical equipment, such as power amplifiers, DVDs, speakers, massage chairs and other electrical equipment
எங்களைத் தொடர்பு கொள்ளுங்கள்
உங்கள் மின்னஞ்சலுக்காக காத்திருக்கிறது, நாங்கள் உங்களுக்குள் பதிலளிப்போம் 12 உங்களுக்குத் தேவையான மதிப்புமிக்க தகவல்களுடன் மணிநேரம்.
English
Afrikaans
العربية
বাংলা
bosanski jezik
Български
Català
粤语
中文(简体)
中文(漢字)
Hrvatski
Čeština
Nederlands
Eesti keel
Suomi
Français
Deutsch
Ελληνικά
हिन्दी; हिंदी
Magyar
Bahasa Indonesia
Italiano
日本語
한국어
Latviešu valoda
Lietuvių kalba
македонски јазик
Bahasa Melayu
Norsk
پارسی
Polski
Português
Română
Русский
Cрпски језик
Slovenčina
Slovenščina
Español
Svenska
ภาษาไทย
Türkçe
Українська
اردو
Tiếng Việt




