Produktkategorier
- termistor 36
- PCB Monter sikringsholder 27
- Ledningsnett 6
- Blade sikringsholdere 17
- termostat 50
- Elektrisk sikring 24
- Automotive temperatursensor 7
- Termisk effektbryter 22
- Sikringsboksholder 36
- Temperatursensor 81
- Termisk bryter 68
- Bil sikring 20
- Bolt ned sikringer 8
- Termisk sikring 32
- Surface Mount sikringer 12
Produktkoder
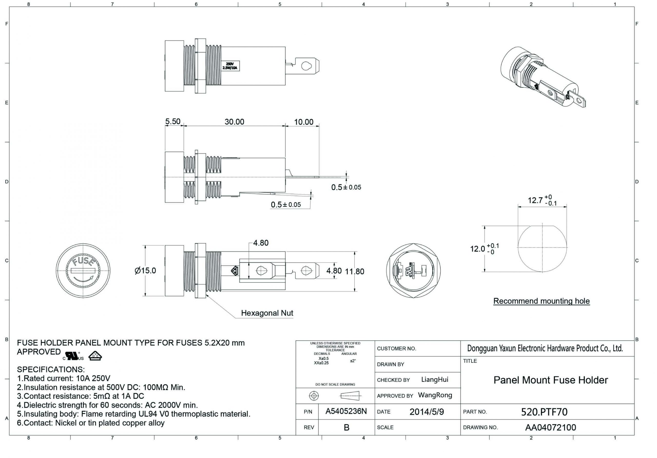
PTF 70 Bakelitt sikringsholdere, 10EN, panelmontert sikringsboks, for 5x20mm sikring
Stelvio Kontek PTF-70 er en panelmontert sikringsholder med skrukork for bruk med 5 x 20 mm glasssikringer med en UL-klassifisering på 10A ved 250Vac og bruker ledningsforbindelser.
Stelvio Kontek PTF-70 er en panelmontert sikringsholder med skrukork for bruk med 5 x 20 mm glasssikringer med en UL-klassifisering på 10A ved 250Vac og bruker ledningsforbindelser. Fuse Box for panel mounting; Fuse carrier with screwdriver slot and screw socket; Materiale: Flameproof, glass-filled thermoplastic (PPOM).
![]() PTF 70 – Sikringsholder 5 x 20 mm 10MOhm 250V 10A Sort |
![]() Screw Cap Panel Mount Fuse Holder, Accepts 5×20 mm Sikring |
![]() Stelvio PTF-kontekst 70 Sikringsholder; sylindriske sikringer; 5x20 mm; 10EN; på panelet; svart |
| Produktnavn: | PTF-70 Panel Mount Fuse Holder | Vurdert gjeldende: | 10EN |
| Nominell spenning: | 250V | Fuse Application: | Cylindrical Fuses |
| Sikringsstørrelse: | 5x20mm 5.2x20mm | Husmateriale: | Bakelitt |
| Material Feature: | Flame Retarded Plastic | Terminal: | Nikkelbelagt kobber |
| Type: | Solder Type | Montering: | On Panel |
| Høyt lys: | PTF-70 10A, 250V Panel Mount Glass Fuse Holder | ||
PTF70 5x20mm Panel Mount Fuse Holder Drawing
Produktbeskrivelse
PTF70 5x20mm 10A 250V Bakelite Electric Fuse Cutout Box Panel Mount Glass Fuse Holder
The PTF-70 is a panel mount fuse holder with a screw cap for use with 5 x 20 mm glasssikringer med en UL-klassifisering på 10A ved 250Vac og bruker ledningsforbindelser. This panel mount fuse holder has a bayonet style screw-cap that make the installation and removal of a 5x20mm glass fuse easy and safe. Wiring connections to this 5 X 20mm panel mount fuse holder are either soldered or a push on tab terminal and installation is made easy with a threaded housing and lock nut arrangement.
Spesifikasjon
• operating voltage, max.: 250V og
• rated current: 10EN
• contact resistance: <5mΩ
• insulation resistance: >100MΩ
• dielectric strength: >3000V AC/60s
• colour: svart
| Merkestrøm | 10En 250V |
| Insulation resistance at 500V DC | 100 MΩ min. |
| Kontaktmotstand | 5 MΩ at 1A DC |
| Dielectric strength between the terminals for 60 sekunder | AC 3000 min. |
| Insulating body | Flame retarding UL _94V0 thermoplastic material. |
| Kontakt | Nickel or tin plated copper alloy |
Fearures
• fuse holder made of black polycarbonate, self-extinguishing (UL94V-0)
• bayonet cover
• brass parts with nickel layer, tin-plated
• shock-protection category PC2
Søknad
Electrical equipment, such as power amplifiers, DVDs, speakers, massage chairs and other electrical equipment
Kontakt oss
Venter på e -posten din, Vi vil svare deg innen 12 timer med verdifull informasjon du trengte.
English
Afrikaans
العربية
বাংলা
bosanski jezik
Български
Català
粤语
中文(简体)
中文(漢字)
Hrvatski
Čeština
Nederlands
Eesti keel
Suomi
Français
Deutsch
Ελληνικά
हिन्दी; हिंदी
Magyar
Bahasa Indonesia
Italiano
日本語
한국어
Latviešu valoda
Lietuvių kalba
македонски јазик
Bahasa Melayu
Norsk
پارسی
Polski
Português
Română
Русский
Cрпски језик
Slovenčina
Slovenščina
Español
Svenska
ภาษาไทย
Türkçe
Українська
اردو
Tiếng Việt




