Tuoteryhmät
- termistori 36
- PCB-asennettava sulakepidike 27
- Johtosarja 6
- Terän sulakepidikkeet 17
- termostaatti 50
- Sähkösulake 24
- Autojen lämpötila -anturi 7
- Lämpövirtakatkaisija 22
- Sulakekotelon pidike 36
- Lämpösensori 81
- Lämpökytkin 68
- Auton sulake 20
- Ruuvaa sulakkeet 8
- lämpösulake 32
- pinta-asennettavat sulakkeet 12
Tuotetunnisteet
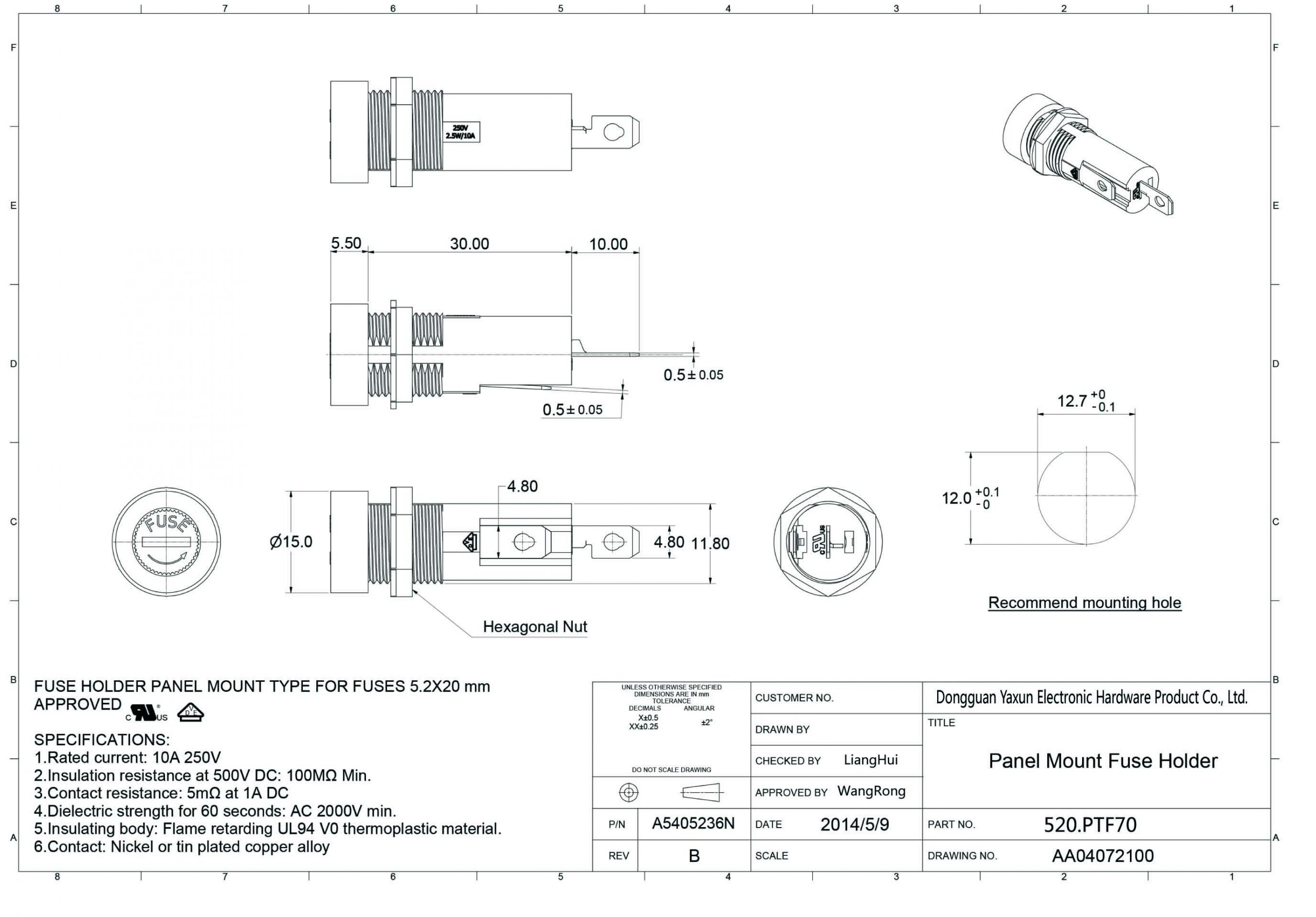
Ptf 70 Bakelite -sulakepidikkeet, 10A, paneelikiinnitys sulake -laatikko, 5x20 mm: n sulake
Stelvio Kontek PTF-70 on kierrekorkilla varustettu paneeliasennettava sulakepidike käytettäväksi 5 x 20 mm:n lasisulakkeet, joiden UL-luokitus on 10A 250 Vac:lla ja käyttää kielekkeitä.
Stelvio Kontek PTF-70 on kierrekorkilla varustettu paneeliasennettava sulakepidike käytettäväksi 5 x 20 mm:n lasisulakkeet, joiden UL-luokitus on 10A 250 Vac:lla ja käyttää kielekkeitä. Sulakerasia paneeliasennukseen; Sulakekannatin ruuvimeisselillä ja ruuviholkilla; Materiaali: Tulenkestävä, lasitäytteinen kestomuovi (PPOM).
![]() Ptf 70 – Sulakkeen pidike 5 x 20 mm 10mohm 250 V 10a musta |
![]() Ruuvattava kansi Paneelikiinnityssulakkeen pidike, Hyväksyy 5×20 mm Sulake |
![]() Stelvio PTF -konteksti 70 Sulakkeen pidike; sylinterimäiset sulakkeet; 5x20mm; 10A; paneelissa; musta |
| Tuotteen nimi: | PTF-70 Paneeliasennettava sulakepidike | Nimellisvirta: | 10A |
| Nimellisjännite: | 250V | Sulakesovellus: | Sylinterimäiset sulakkeet |
| Sulakkeen koko: | 5x20mm 5,2x20mm | Asunnon materiaali: | Bakeliitti |
| Materiaaliominaisuus: | Palosuojattu muovi | Terminaali: | Nikkelipinnoitettu kupari |
| Tyyppi: | Juotostyyppi | Asennus: | Paneelissa |
| High Light: | PTF-70 10A, 250V-paneeliin kiinnitettävä lasisulakkeen pidike | ||
PTF70 5x20mm paneeliasennus sulakepidikkeen piirustus
Tuotteen kuvaus
PTF70 5x20mm 10A 250V Bakelite sähkösulake Katkaisulaatikko Paneeliasennus lasisulakkeen pidike
PTF-70 on paneeliin asennettava sulakepidike kierrekorkilla käytettäväksi 5 x 20 mm:n lasisulakkeet, joiden UL-luokitus on 10A 250 Vac:lla ja käyttää kielekkeitä. Tässä paneeliin asennettavassa sulakkeenpitimessä on bajonettityylinen kierrekorkki, joka tekee 5x20 mm lasisulakkeen asennuksesta ja poistamisesta helppoa ja turvallista. Kytkennät tähän 5 X 20 mm paneeliasennettava sulakepidike on joko juotettu tai työnnetty kielekkeellä, ja asennus on helppoa kierteitetyn kotelon ja lukkomutterin ansiosta.
Erittely
• käyttöjännite, max.: 250V AC
• nimellisvirta: 10A
• kosketusvastus: <5mΩ
• eristysvastus: >100MΩ
• dielektrinen lujuus: >3000V AC/60s
• väri: musta
| Nimellisvirta | 10250V |
| Eristysvastus 500 V DC jännitteellä | 100 MΩ min. |
| Kosketusvastus | 5 MΩ 1A tasavirralla |
| Liitinten välinen dielektrinen lujuus 60 sekunti | AC 3000 min. |
| Eristävä runko | Paloa hidastava UL _94V0 termoplastinen materiaali. |
| Ottaa yhteyttä | Nikkeli tai tinattu kupariseos |
Pelkoja
• mustasta polykarbonaatista valmistettu sulakepidike, itsestään sammuva (UL94V-0)
• bajonettikansi
• messinkiosat nikkelikerroksella, tinattu
• Iskusuojausluokka PC2
Sovellus
Sähkölaitteet, kuten tehovahvistimet, DVD-levyjä, kaiuttimet, hierontatuolit ja muut sähkölaitteet
Ota yhteyttä
Sähköpostiasi odotellessa, vastaamme sinulle sisällä 12 tuntia arvokasta tietoa, jota tarvitset.
English
Afrikaans
العربية
বাংলা
bosanski jezik
Български
Català
粤语
中文(简体)
中文(漢字)
Hrvatski
Čeština
Nederlands
Eesti keel
Suomi
Français
Deutsch
Ελληνικά
हिन्दी; हिंदी
Magyar
Bahasa Indonesia
Italiano
日本語
한국어
Latviešu valoda
Lietuvių kalba
македонски јазик
Bahasa Melayu
Norsk
پارسی
Polski
Português
Română
Русский
Cрпски језик
Slovenčina
Slovenščina
Español
Svenska
ภาษาไทย
Türkçe
Українська
اردو
Tiếng Việt




