পণ্য বিভাগ
পণ্য ট্যাগ
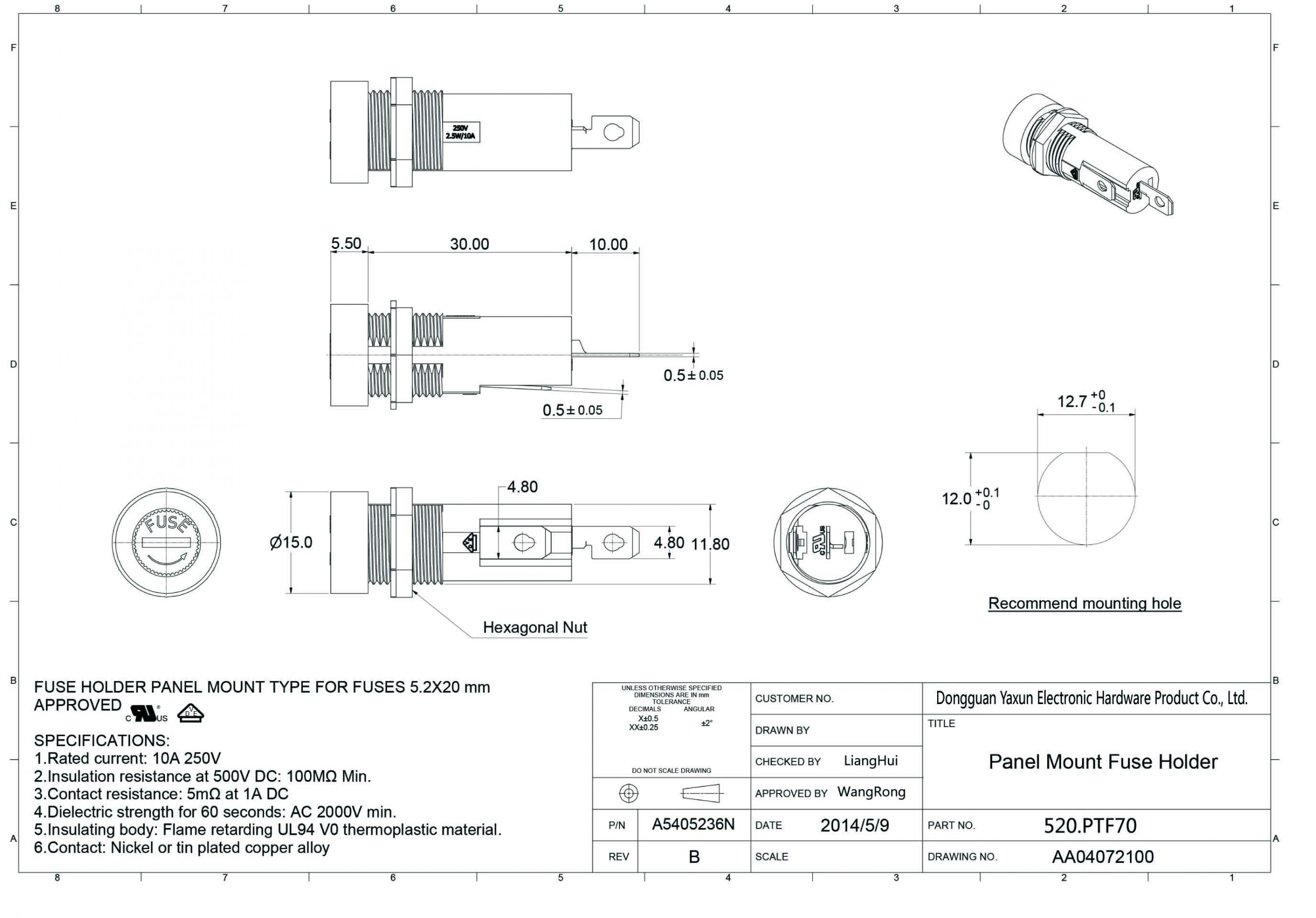
পিটিএফ 70 বেকেলাইট ফিউজ ধারক, 10ক, প্যানেল মাউন্ট ফিউজ বক্স, 5x20 মিমি ফিউজের জন্য
স্টেলভিও কনটেক PTF-70 হল একটি প্যানেল মাউন্ট ফিউজ হোল্ডার যার সাথে ব্যবহারের জন্য একটি স্ক্রু ক্যাপ 5 x 20 মিমি গ্লাস 250Vac এ 10A এর UL রেটিং সহ ফিউজ করে এবং ট্যাব তারের সংযোগ ব্যবহার করে.
স্টেলভিও কনটেক PTF-70 হল একটি প্যানেল মাউন্ট ফিউজ হোল্ডার যার সাথে ব্যবহারের জন্য একটি স্ক্রু ক্যাপ 5 x 20 মিমি গ্লাস 250Vac এ 10A এর UL রেটিং সহ ফিউজ করে এবং ট্যাব তারের সংযোগ ব্যবহার করে. প্যানেল মাউন্ট জন্য ফিউজ বক্স; স্ক্রু ড্রাইভার স্লট এবং স্ক্রু সকেট সহ ফিউজ ক্যারিয়ার; উপাদান: ফ্লেমপ্রুফ, গ্লাস ভর্তি থার্মোপ্লাস্টিক (পিপিওএম).
![]() পিটিএফ 70 – ফিউজ হোল্ডার 5 x 20 মিমি 10MOhm 250V 10A কালো |
![]() স্ক্রু ক্যাপ প্যানেল মাউন্ট ফিউজ হোল্ডার, 5 গ্রহণ করে×20 মিমি ফিউজ |
![]() স্টেলভিও পিটিএফ প্রসঙ্গ 70 ফিউজ ধারক; নলাকার ফিউজ; 5x20 মিমি; 10ক; প্যানেলে; কালো |
| পণ্যের নাম: | PTF-70 প্যানেল মাউন্ট ফিউজ হোল্ডার | রেট করা বর্তমান: | 10ক |
| রেটেড ভোল্টেজ: | 250ভি | ফিউজ অ্যাপ্লিকেশন: | নলাকার ফিউজ |
| ফিউজ সাইজ: | 5x20mm 5.2x20mm | হাউজিং উপাদান: | বেকেলাইট |
| উপাদান বৈশিষ্ট্য: | ফ্লেম রিটার্ডেড প্লাস্টিক | টার্মিনাল: | নিকেল প্লেটেড কপার |
| টাইপ: | সোল্ডার টাইপ | মাউন্টিং: | প্যানেলে |
| উচ্চ আলো: | PTF-70 10A, 250ভি প্যানেল মাউন্ট গ্লাস ফিউজ হোল্ডার | ||
PTF70 5x20mm প্যানেল মাউন্ট ফিউজ হোল্ডার অঙ্কন
পণ্য বিবরণ
PTF70 5x20mm 10A 250V বেকেলাইট ইলেকট্রিক ফিউজ কাটআউট বক্স প্যানেল মাউন্ট গ্লাস ফিউজ হোল্ডার
PTF-70 হল একটি প্যানেল মাউন্ট ফিউজ ধারক যার সাথে ব্যবহারের জন্য একটি স্ক্রু ক্যাপ রয়েছে 5 x 20 মিমি গ্লাস 250Vac এ 10A এর UL রেটিং সহ ফিউজ করে এবং ট্যাব তারের সংযোগ ব্যবহার করে. এই প্যানেল মাউন্ট ফিউজ ধারকটিতে একটি বেয়োনেট স্টাইলের স্ক্রু-ক্যাপ রয়েছে যা 5x20 মিমি গ্লাস ফিউজ ইনস্টল এবং অপসারণকে সহজ এবং নিরাপদ করে. এই তারের সংযোগ 5 X 20mm প্যানেল মাউন্ট ফিউজ হোল্ডার হয় সোল্ডার করা হয় বা ট্যাব টার্মিনালে পুশ করা হয় এবং থ্রেডেড হাউজিং এবং লক নাট ব্যবস্থার মাধ্যমে ইনস্টলেশন সহজ করা হয়.
স্পেসিফিকেশন
• অপারেটিং ভোল্টেজ, সর্বোচ্চ: 250ভি এবং
• রেট করা বর্তমান: 10ক
• যোগাযোগ প্রতিরোধের: <5mΩ
• নিরোধক প্রতিরোধের: >100MΩ
• অস্তরক শক্তি: >3000V AC/60s
• রঙ: কালো
| রেট করা বর্তমান | 10একটি 250V |
| 500V DC এ অন্তরণ প্রতিরোধের | 100 MΩ মিনিট. |
| প্রতিরোধের সাথে যোগাযোগ করুন | 5 MΩ 1A DC এ |
| জন্য টার্মিনাল মধ্যে অস্তরক শক্তি 60 সেকেন্ড | এসি 3000 মিনিট. |
| অন্তরক শরীর | ফ্লেম রিটার্ডিং UL _94V0 থার্মোপ্লাস্টিক উপাদান. |
| যোগাযোগ | নিকেল বা টিনের ধাতুপট্টাবৃত তামার খাদ |
ভয়
• কালো পলিকার্বোনেট দিয়ে তৈরি ফিউজ ধারক, স্ব-নির্বাপক (UL94V-0)
• বেয়নেট কভার
• নিকেল স্তর সঙ্গে পিতল অংশ, টিন-ধাতুপট্টাবৃত
• শক-সুরক্ষা বিভাগ PC2
আবেদন
বৈদ্যুতিক সরঞ্জাম, যেমন পাওয়ার এম্প্লিফায়ার, ডিভিডি, স্পিকার, ম্যাসেজ চেয়ার এবং অন্যান্য বৈদ্যুতিক সরঞ্জাম
আমাদের সাথে যোগাযোগ করুন
আপনার ইমেইলের জন্য অপেক্ষা করছি, আমরা আপনাকে এর মধ্যে উত্তর দেব 12 আপনার প্রয়োজনীয় মূল্যবান তথ্য সহ ঘন্টা.
English
Afrikaans
العربية
বাংলা
bosanski jezik
Български
Català
粤语
中文(简体)
中文(漢字)
Hrvatski
Čeština
Nederlands
Eesti keel
Suomi
Français
Deutsch
Ελληνικά
हिन्दी; हिंदी
Magyar
Bahasa Indonesia
Italiano
日本語
한국어
Latviešu valoda
Lietuvių kalba
македонски јазик
Bahasa Melayu
Norsk
پارسی
Polski
Português
Română
Русский
Cрпски језик
Slovenčina
Slovenščina
Español
Svenska
ภาษาไทย
Türkçe
Українська
اردو
Tiếng Việt




