2-arame, 3-fio ou 4 fios pt100, Pt500, Os sensores PT1000 são sensores de temperatura com base em elementos de platina com alta precisão, estabilidade e linearidade, e são amplamente utilizados em campos que requerem medição precisa de temperatura. UM “Sistema de medição de temperatura do resistor térmico PT100” refere -se a um sistema que usa um sensor PT100, um tipo de detector de temperatura de resistência (IDT), Para medir a temperatura detectando mudanças em sua resistência elétrica que são diretamente proporcionais à temperatura; “Pt” significa platina, e “100” indica que o sensor tem uma resistência de 100 ohms a 0 ° C, tornando -o um método altamente preciso e estável para medição de temperatura em uma ampla faixa.
Resistores de platina são amplamente utilizados na faixa de temperatura média (-200~650℃). Atualmente, existem resistores térmicos de medição de temperatura padrão feitos de metal platina no mercado, como Pt100, Pt500, Pt1000, etc..
Entenda o princípio de trabalho do PT100: PT100 é um sensor de temperatura do resistor de PT. O princípio de trabalho é baseado no efeito térmico do resistor. Seu valor de resistência muda com a mudança de temperatura. Esta mudança é linear. Em 0 ℃, O valor de resistência do PT100 é 100 ohms. À medida que a temperatura aumenta, O valor de resistência também aumenta de acordo, Portanto, a temperatura pode ser inferida com precisão medindo o valor da resistência.
Escolha o método de fiação apropriado: Geralmente, 2-arame, 3-Os métodos de fiação de arame ou 4 fios podem ser usados.
Pontos -chave sobre um sistema PT100:
Princípio do sensor:
O sensor PT100 é feito de um fio de platina cuja resistência elétrica muda previsivelmente com flutuações de temperatura.
Método de medição:
Quando uma corrente é passada pelo PT100, A queda de tensão através do sensor é medida, que é então convertido em temperatura com base na relação conhecida entre resistência e temperatura.
Ampla aplicação:
Os sensores PT100 são comumente usados em processos industriais, laboratórios, e outras aplicações em que a medição precisa da temperatura é necessária devido à sua alta precisão e estabilidade.
Componentes de um sistema PT100:
Sonda de sensor PT100:
O elemento de detecção real, normalmente um fio de platina enrolado em um núcleo de cerâmica, que é inserido no ambiente a ser medido.
Circuito de condicionamento de sinal:
Eletrônicos que amplificam e convertem a pequena mudança de resistência do PT100 em um sinal de tensão mensurável.
Sistema de exibição ou aquisição de dados:
Dispositivo que exibe a temperatura medida ou armazena os dados para análise.
Benefícios do uso de um sistema PT100:
Alta precisão: Considerado um dos sensores de temperatura mais precisos disponíveis.
Ampla faixa de temperatura: Pode medir as temperaturas de -200 ° C a 850 ° C, dependendo do design do sensor.
Boa linearidade: A relação entre resistência e temperatura é muito linear, facilitando a interpretação de dados fácil.
Estabilidade: A platina é um material muito estável, garantindo leituras consistentes ao longo do tempo.
Os três métodos de fiação do resistor Pt100 Platinum são diferentes em princípio: 2-Os fios e 3 fios são medidos pelo método da ponte, e a relação entre o valor da temperatura e o valor de saída analógica é apresentada no final. 4-fio não tem ponte. É completamente enviado por fonte de corrente constante, medido por voltímetro, e finalmente fornece o valor de resistência medido, o que é difícil e caro de usar.
Porque o PT100 tem um pequeno valor de resistência e alta sensibilidade, O valor de resistência do fio de chumbo não pode ser ignorado. O uso da conexão de 3 fios pode eliminar o erro de medição causado pela resistência à linha de chumbo.
O sistema de 2 fios tem baixa precisão de medição; O sistema de 3 fios tem melhor precisão; O sistema de 4 fios tem alta precisão de medição, mas requer mais fios.
Precisamos conhecer apenas o estado de temperatura do PT100 com base na saída do sinal de tensão pela ponte. Quando o valor de resistência do PT100 não é igual ao valor de resistência do RX, A ponte gera um sinal de pressão diferencial, que é muito pequeno. Como o sinal de saída do sensor de temperatura é geralmente muito fraco, É necessário um circuito de condicionamento e conversão de sinal para ampliá -lo ou convertê -lo em um formulário fácil de transmitir, processo, gravar e exibir. A ligeira mudança na quantidade de sinal medida precisa ser convertida em um sinal elétrico. Ao amplificar o sinal DC, A tensão auto-eliminada e desequilibrada do amplificador operacional não pode ser ignorado ao passar pelo amplificador operacional. Após a amplificação, Um sinal de tensão do tamanho desejado pode ser emitido.
O valor de resistência do resistor de platina pode ser obtido pelo cálculo do circuito ou medição multímetro. Quando conhecemos o valor de resistência do PT100, Podemos medir e calcular a temperatura pelo valor de resistência.
Use algoritmos apropriados para processamento de dados: Use a relação de temperatura e resistência conhecida para calcular a temperatura através da programação. Considerando que a relação resistência à temperatura do PT100 não é linear, especialmente em áreas de baixa ou alta temperatura, Algoritmos mais complexos podem ser necessários para melhorar a precisão.
Impacto de fatores ambientais: O desempenho pode ser afetado por fatores ambientais, como interferência eletromagnética, vibração mecânica, e umidade.
Existem três métodos de cálculo de medição de temperatura comuns:
Método de cálculo de medição de temperatura 1:
Quando a temperatura exata não é necessária, A temperatura aumentará em 2,5 ℃ para cada aumento de ohm no valor de resistência do resistor térmico PT100 (usado em baixas temperaturas). O valor de resistência do sensor de temperatura PT100 é 100 Quando é 0 ℃, Portanto, a temperatura aproximada neste momento = (PT100 Valor de resistência-100)*2.5.
Método de cálculo de medição de temperatura 2:
Relação entre o valor de resistência e a temperatura do resistor de platina
Na faixa de 0 ~ 850 ℃: Rt = r0(1+AT+BT2);
Na faixa de -200 ~ 0 ℃: Rt = r0[1+AT+BT2+c(t-100)3];
RT representa o valor de resistência do resistor de platina na temperatura t ℃;
R0 representa o valor de resistência do resistor de platina à temperatura 0 ℃;
UM, B, C são constantes, A = 3,96847 × 10-3/℃; B = -5,847 × 10-7/℃; C = -4,22 × 10-12/℃;
Para o resistor térmico que atende ao relacionamento acima, Seu coeficiente de temperatura é de cerca de 3,9 × 10-3/℃.
Através da fórmula acima, A temperatura pode ser resolvida com precisão de acordo com o valor de resistência, mas devido à grande quantidade de cálculo deste método, não é recomendado para este experimento.
Método de cálculo de temperatura três:
O PT100 tem uma boa relação linear com a temperatura e é adequada para medição de temperatura média e baixa temperatura. O valor de resistência do PT100 em diferentes temperaturas tem uma escala de medição correspondente individual, como mostrado na figura abaixo, que podem exibir intuitivamente a relação correspondente entre diferentes temperaturas e o valor de resistência de Pt100.
A temperatura pode ser conhecida verificando o valor de resistência correspondente através da escala PT100.
Escala de resistor térmico PT100
O dispositivo de medição de temperatura PT100 projetado neste artigo usa o amplificador operacional de quatro vias de baixo custo usado para concluir o projeto do circuito de fonte de alimentação do dispositivo e o circuito de amplificador de instrumento de três operações.
1.1 Circuito de fonte de tensão
O circuito na figura 1 é um circuito operacional proporcional comum. De acordo com a análise do amplificador operacional ideal que trabalha na região linear, De acordo com o princípio da interrupção curta e virtual virtual, é obtido:
, então o fator de amplificação de tensão de circuito fechado é 2 vezes, e então v = 10V é obtido, e é usado como a tensão estável da fonte de alimentação do circuito da ponte Wheatstone.
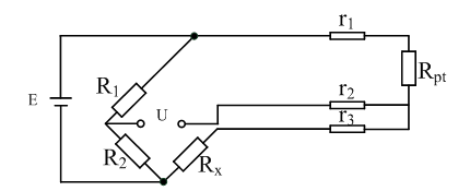
1.2 Conexão de três fios da Wheatstone Bridge e Pt100.
A figura acima é uma ponte de Wheatstone. A condição para a ponte ser equilibrada é que os potenciais dos pontos B e D são iguais. Então, quando a ponte é equilibrada, Enquanto R1, R2 (Valores geralmente fixos) e r0 (Valores geralmente ajustáveis) são lidos, O Rx de resistência a ser medido pode ser obtido. R1/r2 = m, chamado “multiplicador”.
De acordo com o princípio de medição de temperatura PT100, O valor de resistência do PT100 precisa ser conhecido corretamente, Mas o valor de resistência não pode ser medido diretamente, Portanto, é necessário um circuito de conversão. O valor de resistência é convertido em um sinal de tensão que pode ser detectado pelo microcontrolador”. O circuito da ponte Wheatstone é um instrumento que pode medir corretamente a resistência. Como mostrado na figura 2, R1, R2, R3, e R4 são seus braços de ponte, respectivamente. Quando a ponte é equilibrada, R1xr3 = r2xr4 é satisfeito. Quando a ponte está desequilibrada, Haverá uma diferença de tensão entre os pontos A e B. De acordo com a tensão dos pontos A e B, a resistência correspondente pode ser calculada. Este é o princípio de medir a resistência com uma ponte desequilibrada:
Na verdade, Devido à pequena resistência e alta sensibilidade do PT100, A resistência do fio de chumbo causará erros. Portanto, O método de conexão de três fios é frequentemente usado na indústria para eliminar este erro. Como mostrado na parte pontilhada da figura 2, O valor de resistência ao fio de chumbo é igual e é r. Neste momento, os braços da ponte se tornam r, R, R+2r, e RT+2r. Quando a ponte é equilibrada: R2. (R1+2r) = R1.(R3+2r), resolvido: Rt = r1r3/ r2+2 r1r/ r2- 2r. A análise mostra que quando R1 = R2, A mudança na resistência ao fio não tem efeito no resultado da medição.
1.3 Circuito de amplificador de instrumentação de três OP-AMP
Quando a temperatura muda de 0 ℃ ~ 100 ℃, A resistência do PT100 muda aproximadamente linearmente na faixa de 100Ω ~ 138,51Ω. De acordo com o circuito da ponte acima, A ponte é equilibrada em 0 ℃, Portanto, o valor teórico da tensão de saída da ponte deve ser 0 V, e quando a temperatura é 100 ℃, a saída da ponte é: Uab = u7x(R1/(R1+ R2)-R3/(R2 + R3)), aquilo é, UAB = 10x(138.51/(10000 + 138.51)-100/(10000 + 100)) = 0,037599V. Como este é um sinal de milivolt, É necessário ampliar esta tensão para torná -la detectável pelo chip de anúncios.
Como mostrado na figura 3, O amplificador de instrumentação é um dispositivo que amplifica pequenos sinais em um ambiente barulhento. Tem uma série de vantagens como a baixa deriva, baixo consumo de energia, alta taxa de rejeição de modo comum, ampla gama de fonte de alimentação e tamanho pequeno. Ele usa as características de pequenos sinais diferenciais sobrepostos em sinais maiores de modo comum, que podem remover sinais de modo comum e amplificar sinais diferenciais ao mesmo tempo. A tensão de saída do circuito de amplificador de instrumentação de três OP-Op é, Aqui r8 = r10 = 20 kΩ, R9 = r11 = 20 kΩ, R4 = r7 = 100kΩ, que pode ampliar o sinal de tensão de entrada por cerca de 150 vezes, para que a tensão de saída teórica da ponte possa ser amplificada para 0 ~ 2,34 v. Mas este é apenas um valor teórico. No processo real, Existem muitos fatores que podem causar mudanças de resistência. Portanto, R3 pode ser substituído por um resistor ajustável de precisão para facilitar o circuito zero.
2. Design de software
2.1 Método de mínimos quadrados e ajuste linear PT100
Na faixa de temperatura de 0 ℃ ≤t≤850 ℃, A relação entre a resistência e a temperatura do PT100 é: R = 100 (1 +AT+BT2), onde a = 3.90802x 10-3; B =- -5.80x 10-7; C = 4,2735 x 10-12
Pode -se observar que a resistência do PT100 e a temperatura não são um relacionamento linear absoluto, mas uma parábola. Portanto, Se t deve ser extraído, Uma operação de raiz quadrada é necessária, que introduz uma operação de função mais complexa e ocupa uma grande quantidade de recursos da CPU do microcomputador de chip único. Para resolver este problema, Podemos usar o método dos mínimos quadrados para ajustar linearmente a relação entre temperatura e resistência. ” O ajuste da curva de mínimos quadrados é um método comum para processamento experimental de dados. Seu princípio é encontrar uma função polinomial para minimizar a soma dos erros quadrados com os dados originais.
2.2 Temperatura de conversão digital de anúncio
O princípio de medição de temperatura PT100 é obter o valor da temperatura com base em seu valor de resistência, Portanto, o valor de resistência do resistor térmico deve ser determinado primeiro. De acordo com o circuito de hardware, A relação entre a tensão de saída UAB do circuito da ponte e a tensão de saída UAD do circuito de amplificador de instrumento do amplificador op é: Acenar = jav. AUF porque o sistema usa um chip de anúncios de 12 bits, A relação entre a quantidade digital e a quantidade analógica é: UAD/AD = 5/4096. A relação entre a tensão de saída da ponte e o anúncio de quantidade digital pode ser obtida combinando as duas equações anteriores, aquilo é, UAD/AD = 5/(4096Sobre). Então, É substituído na expressão de tensão de saída da ponte uab = u7x (Rt/ (R1+rt) -R3/ (R2+R3) ), e a expressão de RR e o anúncio de quantidade digital pode ser obtida. A solução é:
Depois de conhecer o valor de resistência do PT100, O valor de temperatura correspondente pode ser obtido de acordo com a equação de ajuste linear na seção 2.1.
2.3 Filtragem digital de chip único
Para melhorar a precisão da medição de temperatura do PT100, Um programa de filtragem digital pode ser adicionado na programação de software, que não requer a adição de circuitos de hardware e pode melhorar a estabilidade e a confiabilidade do sistema. Existem muitos métodos de filtragem no sistema de aplicação de microcomputador de chip único. Ao fazer uma seleção específica, As vantagens e desvantagens do método de filtragem e os objetos aplicáveis devem ser analisados e comparados, de modo a selecionar o método de filtragem apropriado. O algoritmo do método médio de filtragem média é primeiro coletar continuamente os dados n, Em seguida, remova um valor mínimo e um valor máximo, e finalmente calcule a média aritmética dos dados restantes. Este método de filtragem é adequado para medir parâmetros que mudam lentamente, como temperatura, e pode efetivamente reduzir a interferência causada por flutuações causadas por fatores acidentais ou erros causados pela instabilidade do amostrador.
Processo de trabalho do sistema:
Quando a temperatura do objeto está sendo medida as mudanças, A resistência das mudanças de PT100, e a ponte Wheatstone produzirá um sinal de tensão correspondente. Este sinal é uma função da resistência do PT100. Este sinal de milivolt é amplificado por um amplificador de instrumentação de três operações e enviado para o chip de anúncios, que converte a quantidade analógica em uma quantidade digital e é lida pelo microcontrolador. O microcontrolador lê o chip do chip de anúncios e executa o programa de filtragem, convertendo a quantidade digital estável em resistência de pt100 através do cálculo. Em seguida, o microcontrolador selecionará o modelo linear ajustado correspondente de acordo com o tamanho do valor da resistência para calcular o valor da temperatura atual, e finalmente exibir os dados de temperatura na tela LCD.
English
Afrikaans
العربية
বাংলা
bosanski jezik
Български
Català
粤语
中文(简体)
中文(漢字)
Hrvatski
Čeština
Nederlands
Eesti keel
Suomi
Français
Deutsch
Ελληνικά
हिन्दी; हिंदी
Magyar
Bahasa Indonesia
Italiano
日本語
한국어
Latviešu valoda
Lietuvių kalba
македонски јазик
Bahasa Melayu
Norsk
پارسی
Polski
Português
Română
Русский
Cрпски језик
Slovenčina
Slovenščina
Español
Svenska
ภาษาไทย
Türkçe
Українська
اردو
Tiếng Việt










